
스마트 진동줄 스트레인 게이지(매립형 모델)는 주로 콘크리트 구조물의 내부 변형률을 측정하는 데 사용되며, 콘크리트 구조물의 탄성계수를 기반으로 구조물의 내부 응력을 계산할 수 있습니다. 콘크리트 타설 전 제품을 구조용 철근에 묶거나 맞춤형 마운팅 브라켓(예: 다방향 스트레인 게이지 마운팅 브라켓)에 설치한 후 콘크리트 타설을 진행합니다. 콘크리트가 미리 정해진 강도에 도달한 후 구조물의 변형률 측정을 수행할 수 있습니다. 제품의 경량 구조와 고감도 특성으로 인해 콘크리트 초기 응결 단계에서 콘크리트 구조물의 수축 및 크리프를 관찰하는 데에도 사용할 수 있습니다.
|
원산지: |
중국 창사 |
|
브랜드 이름: |
킹마흐 |
|
모델 번호: |
JMZX-215HA/215HAT/HB |
|
인증: |
GB/T 13606-2007, GBT 3408.2-2008, DL/T 1044-2022 |
|
최소 주문 수량: |
1개 조각 |
|
가격: |
협상 가능 |
|
포장 세부사항: |
판지 또는 나무 케이스. 맞춤형 포장 솔루션도 제공됩니다. |
|
배달 시간: |
전액 결제 수령 후 30일 이내에 배송됩니다. |
|
지불 조건: |
미리 T/T. |
JMZX-215HAT 내장형 스트레인 게이지는 다양한 콘크리트 구조물 내부의 스트레인 측정에 적합하며 장기 모니터링 및 자동 측정을 지원합니다. 교량, 터널, 댐, 지하 구조물, 테스트 파일 및 실험실 모델과 같은 콘크리트 구조물 내의 변형률 측정에 널리 사용됩니다.
1. 진동 끈 이론에 따라 설계 및 제조된 강철 끈의 양쪽 끝은 용접 및 고정되며 강철 끈에는 인장 구조가 내장되어 있어 설치가 편리하고 설치 베이스에 대한 전단 요구 사항이 없으며 고정이 더 안정적입니다. 고감도, 고정밀도, 안정성이 높다는 장점이 있어 장기간 관찰에 적합합니다.
2. VW 센서에는 펄스 여기 모드를 사용하는 고성능 자극기가 내장되어 있으며 빠른 테스트 속도, 안정적이고 신뢰할 수 있는 강철 스트링 진동, 왜곡 없는 주파수 신호 장거리 전송, 강력한 간섭 방지 능력 등의 특성을 가지고 있습니다.
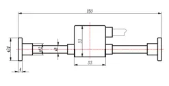
3. 스트레인 게이지 스테인레스 스틸 완전 밀봉 구조, 우수한 구조적 성능, 방수 및 내구성, 방수 깊이 150 미터.
4. 회사의 종합 테스터가 장착되어 물리량 값을 직접 표시할 수 있을 뿐만 아니라 진동 스트링 주파수(Hz)도 표시할 수 있으므로 측정이 직관적이고 간단하며 빠릅니다. 회사의 자동 종합 획득 시스템을 사용하면 무인 자동 측정이 가능합니다.
5. 스트레인 게이지에 내장된 온도 센서는 측정 지점의 온도(온도 유형)를 직접 측정할 수 있으며 테스트 담당자는 스트레인 값을 온도 보정할 수 있습니다.
JMZX-215 내장형 콘크리트 스트레인 게이지는 교량, 터널, 수력 발전 댐, 지하 구조물, 파일 및 실험실 모델을 포함한 다양한 콘크리트 구조물의 스트레인을 측정하는 데 사용됩니다. 스테인 게이지는 결찰 강철 와이어 또는 나일론 버클로 철근(또는 특수 지지대)에 묶여 설치 대상 구조물과 함께 부어지며 자동 및 장기 모니터링이 가능합니다.
|
기술적인 매개변수 품목 |
특정 콘텐츠 |
|
표준 범위 |
±1500m |
| 변형률의 정밀도 |
0.5%FS |
|
해결 |
0.1m |
|
게이지 길이 |
146mm |
| 온도계의 온도 범위 |
-40°C ~ +120°C |
| 온도 측정 정밀도 |
±0.5℃ |
| 강철 스트링의 팽창 계수 |
12.2με/°C |



